永盈彩票

永盈彩票是从事水工机械研发、生产、销售于一体厂家。
联系方式 more +

联系人:武经理

永盈彩票手机:13933744225

电话: 0319-4786765

传真: 0319-4845306

邮箱: 776150030@qq.com

永盈彩票网址:passionvietnam.com  

永盈彩票地址:河北省邢台市新河县城北工业区

铸铁镶铜圆闸门

双向铸铁镶铜圆形闸门

发布日期:2025-09-21 22:59:07浏览:520 次

双向铸铁镶铜圆形闸门是从止水和形状两个角度命名的,双向指两个方向都可承受水压,圆形指外观为圆形,瑞鑫厂家支持定制多规格圆形闸门,厂家报价从370元到8000多元的都有,常见的型号有SSYZ型、ZMQY型等,永盈彩票致电免费获取厂家报价!下面为大家详细介绍其结构性能特点、常见尺寸型号参数、安装注意事项、采购须知等内容。

双向铸铁镶铜圆形闸门厂家定制报价

一、产品简介:

双向铸铁镶铜圆形闸门是一款可承受正反两个方向水压的水利闸门,多配备手电两用型永盈彩票、电装型等不同规格型号螺杆式启闭机,多应用于出水口的,涵洞上的、管道上的,可有效防止水流倒灌。


二、结构性能特点

1、闸板为双闸板,也就是在单向闸门的基础上又增加了一个闸板,使两个闸板与闸梁构成一体构造,闸框上有匚形构造槽,以构成闸门的滑道,从而使铸铁闸门在正反两个方向上都可承受水压;

2、密封装置的特点,在闸口的滑板上和闸框的滑动平面上分别装上闸板斜铁和闸框斜铁,同时加了上下楔块,也就是说双向闸门的上下和两侧均应具有楔形紧压装置,以到达双向密封的目的,因为是镶铜闸门,因此密封面上镶有青铜,止水效果优良,正反向渗水量小于等于0.72L/min·m;

3、闸板、闸框、导轨多采用铸铁材质,具备优良的抗腐蚀能力,可适应海水、湖水、污水等多场景,应用广泛;

4、适配启闭机类型多,可配型手电两用型、电装螺杆启闭机等


三、常见型号尺寸

永盈彩票常见的双向铸铁镶铜圆形闸门的型号尺寸繁多,在此列举SSYZ型和ZMQY的部分型号尺寸和施工安装结构示意图,致电可免费详细型号安装尺寸参数!

1、SSYZ型双向铸铁镶铜圆形闸门部分型号尺寸参数

SSYZ型双向铸铁镶铜圆形闸门部分型号尺寸参数

永盈彩票2、ZMQY型双向铸铁镶铜圆形闸门部分型号尺寸参数

ZMQY型双向铸铁镶铜圆形闸门部分型号尺寸参数

四、安装注意事项

1、按预埋施工图的要求预留双向铸铁镶铜圆形闸门和配型启闭机安装位置;

永盈彩票2、用吊铅锤直线方法预埋预埋件,保证其表面和垂直度为百分之1.5~3范围内;

3、闸门需整体安装,闸框和闸板不可分开安装;

4、安装前应检查闸门及配套启闭机的零部件是否有损坏或缺失,如有应及时联系厂家

5、当螺杆细长比( 提升杆长度/螺杆外径) 4H/d>200 时应设置轴导架,轴导架距闸门吊耳距离应大于闸门额定开启度。

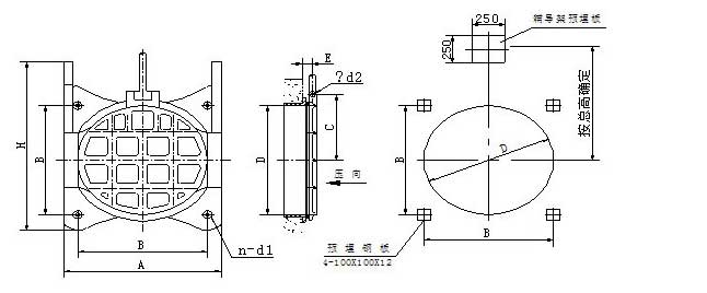
双向铸铁镶铜圆形闸门施工安装结构示意图

五、选购须知

1、选用闸门时应注明闸门中线至启闭机底部平台高度 ;

永盈彩票2、启闭机需要根据启闭力和自动化程度确定,具体可致电我们销售人员,我们会帮您筛选合适的机型;

3、轴导架根据井深不同而设定的,设计时应与联轴器不干涉; 

4、工作时整条螺杆,联轴器、闸板都做上下移动为明杆闸门,工作是螺杆不移动,闸板上下移动称为暗杆闸门,暗杆式的多应用于空间比较狭窄的地方,比如风景区或道路中间的窖井内。

瑞鑫水工公司简介

微信扫码咨询

联系人:武经理

手机:13933744225

电话: 0319-4786765

传真: 0319-4845306

邮箱: 776150030@qq.com

网址:passionvietnam.com  

永盈彩票地址:河北省邢台市新河县城北工业区

天天中彩票-Welcome首页 乐盈VI 500505百万文字论坛综合资料-500308百万文字论坛-780790百万文字论坛红字-798790百万文字论坛下载-500505百万文字论坛雷锋版 佰富彩-安全购彩 98彩票|官方网站 800彩票 - 首页 乐发vll500 佰富彩-welcome