永盈彩票

永盈彩票是从事水工机械研发、生产、销售于一体厂家。
联系方式 more +

联系人:武经理

手机:13933744225

电话: 0319-4786765

永盈彩票传真: 0319-4845306

邮箱: 776150030@qq.com

永盈彩票网址:passionvietnam.com  

地址:河北省邢台市新河县城北工业区

永盈彩票

暗杆式铸铁闸门的工作原理

发布日期:2021-12-04 10:36:46浏览:839 次

暗杆式铸铁闸门是一种多应用于风景区或道路等不允许明杆安装的水利闸阀,其规格型号多种多样,可依据用户需求定制生产,其工作原理如下:

一、工作原理:

通过启闭设备,比如有手动、手电两用、电动、液压型等启闭机带动传动装置的齿轮、蜗轮蜗杆等运转,使闸板作升降运动,从而实现闸门的启闭,达到排水、关水或调节水位的目的。

暗杆式铸铁闸门的工作原理

二、结构组件:

主要由:门框、闸板、密封圈、可调契型压块等组成,具有结构简单牢固、安装维护方便、使用寿命长、适用范围广等特点。

三、应用

多用于给排水、防汛等水利水电工程,控制水流的作用。

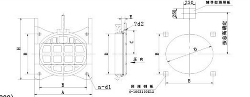
暗杆式铸铁闸门的结构示意图

四、常见的规格型号

1、AYZ型:暗杆式铸铁圆闸门;

2、ZAQF型:暗杆式铸铁方闸门;

3、AXF型:下开暗杆式铸铁方闸门;

4、AXY型:下开式暗杆铸铁圆闸门;

注:以上常见的规格型号的外形尺寸和安装尺寸可参考本站产品型号中相应的型号。

本厂生产的水利闸都有相应的出厂合格证,在出厂前都会做相应的尺寸外观检验、机械性能化学性能测试,严格按照相关国标及行标执行,放心选购!

TAG标签:
微信扫码咨询

联系人:武经理

永盈彩票手机:13933744225

永盈彩票电话: 0319-4786765

传真: 0319-4845306

邮箱: 776150030@qq.com

永盈彩票网址:passionvietnam.com  

地址:河北省邢台市新河县城北工业区

天天中彩票-Welcome首页 乐盈VI 500505百万文字论坛综合资料-500308百万文字论坛-780790百万文字论坛红字-798790百万文字论坛下载-500505百万文字论坛雷锋版 佰富彩-安全购彩 98彩票|官方网站 800彩票 - 首页 乐发vll500 佰富彩-welcome