永盈彩票

永盈彩票是从事水工机械研发、生产、销售于一体厂家。
联系方式 more +

联系人:武经理

手机:13933744225

电话: 0319-4786765

传真: 0319-4845306

永盈彩票邮箱: 776150030@qq.com

永盈彩票网址:passionvietnam.com  

永盈彩票地址:河北省邢台市新河县城北工业区

暗杆式铸铁镶铜闸门

暗杆式铸铁镶铜圆闸门

发布日期:2025-09-21 23:00:36浏览:2389 次

暗杆式铸铁镶铜圆闸门的规格从DN200-DN3000mm的都有,报价从几百元到上万元都有,常见的型号有AYZ型,AXY型永盈彩票等型号,AXY型为下开式的,它们的主要材料为球墨铸铁或灰铸铁,采用镶铜止水,主要适用于不便于明杆式安装的场所,具有安装方便占用空间小,操作简单等优势!


暗杆式铸铁镶铜圆闸门厂家


一、暗杆式铸铁镶铜圆闸门简介

暗杆式铸铁镶铜圆闸门结构形式为暗杆的与之相对的明杆式的,外形为圆形的,多数情况下止水面通过镶青铜来增强止水效果,多数与各种型号的螺杆启闭机永盈彩票配套使用的,用来安装于空间位置比较狭小的水利工程中来调节水流量的大小。


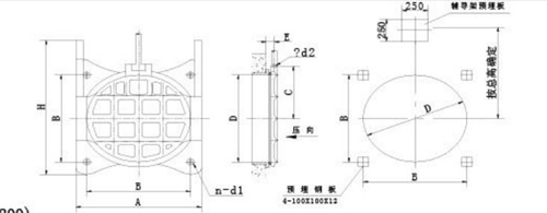
二、主要构件材料材质

和常见的铸铁闸门相同,主要是由门框、门板、吊耳、传动杆、压紧装置、轨道等构件组成,其中门框、门板的主要材料为球墨铸铁或灰铸铁材质;密封座通常由不锈钢或青铜制成;导轨也就是门板的槽形导向体,其材质由铸铁或者钢材制造,对称布置并用不锈钢螺栓定位销与门框二侧端部连接 ,对中口径比较小的闸门,其导轨可与门框浇注成一体。


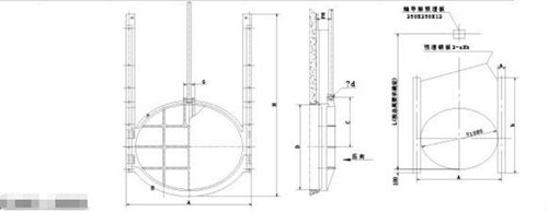
暗杆式铸铁镶铜圆闸门结构图材质


三、暗杆式铸铁镶铜圆闸门与明杆式铸铁闸门结构的不同点

永盈彩票暗杆式闸门启闭操作部件采用门板上吊块螺母沿螺杆轴向运动的结构型式,而明杆式铸铁闸门启闭操作部件采用起重螺杆与门板同步升降的结构型式,因此暗杆式铸铁镶铜圆闸门具有占用空间小的特点,因此常常被用于景区或不易安装明杆式铸铁的场所。

 

暗杆式铸铁镶铜圆闸门安装结构图


四、安装结构图及安装要点

1、闸门孔口尺寸、预埋件及预留孔等应符合安装要求。当预埋件为钢板时,预埋钢板应平直且位置准确,当预埋件为预埋螺栓时,预留孔应位置准确,预留孔深度应满足预埋螺栓埋入深度。

永盈彩票2、轴导架架体安装时应使轴导架管与螺杆同心;

永盈彩票3、安装时应以闸门吊耳中线为基准,在启闭机平台上划十字线,确定启闭机的安装中线。

永盈彩票4、启闭机底板的中应与启闭机平台上的十字线相对应,水平仪调平启闭机底板后,再次复查螺杆的垂直度误差使其不大于螺杆长度的千分之一;

5、选购本厂的闸门启闭机无需担心后期的安装问题,本厂可安排安装技术人员全程协助安装。


暗杆式铸铁镶铜圆闸门涂装制造工艺要点


五、本厂铸铁镶铜闸门涂装工艺要点

永盈彩票1、在涂漆前会清除毛刺、氧化皮、锈斑、锈迹、粘砂、结疤和油污等,并达到相关涂装要求标准;

永盈彩票2、本厂涂装后的铸铁镶铜圆闸门不会有起泡、剥落、皱纹和流挂等外观缺欠;

3、如果本厂的闸门是用于给排水工程时,涂装会采用环保型耐腐蚀涂料涂装,因此本厂闸门具有良好的耐腐蚀能力;


六、制造工艺要求:

1、材质要求:不管是球墨铸铁还是灰口铸铁其化学成分及机械性能应符合相关规定;

永盈彩票2、铸件表面所附有的型砂、氧化皮、冒口、浇口和多肉等应清除干净;

永盈彩票3、铸件表面不应出现影响使用和结构可靠性的裂纹、疏松、夹砂、气孔、砂眼、浇不足等铸造缺欠。

4、主要铸件(门框、门板和导轨)构件等,应进行消除应力处理。

永盈彩票5、导轨可与门框整体铸造,或单独铸造。

永盈彩票6、如采用消失模造型,铸件腐蚀裕量应增加至3 m

7、小铸造宜采用树脂砂造型,采用黑砂造型时,应烘干后浇铸。

8、造型时,铸件机械加工部位应布置在铸型上方,铸件应自然降温到室温后,再拆拆箱

9、密封座应固定在门框和门板面上的机械加工凹槽内,密封座不应变形和松动,工作面表面粗糙;

10、本厂闸门启闭机的制造严格安装相关规范制造,经验丰富,质量可靠!

暗杆式铸铁镶铜圆闸门品牌厂家实力简介

微信扫码咨询

联系人:武经理

手机:13933744225

电话: 0319-4786765

永盈彩票传真: 0319-4845306

邮箱: 776150030@qq.com

网址:passionvietnam.com  

地址:河北省邢台市新河县城北工业区

天天中彩票-Welcome首页 乐盈VI 500505百万文字论坛综合资料-500308百万文字论坛-780790百万文字论坛红字-798790百万文字论坛下载-500505百万文字论坛雷锋版 佰富彩-安全购彩 98彩票|官方网站 800彩票 - 首页 乐发vll500 佰富彩-welcome