联系人:武经理
手机:13933744225
永盈彩票电话: 0319-4786765
永盈彩票传真: 0319-4845306
邮箱: 776150030@qq.com
永盈彩票网址:passionvietnam.com
永盈彩票地址:河北省邢台市新河县城北工业区
墙式铸铁镶铜圆闸门是指墙式安装的,止水面镶铜而非不锈钢的,圆形的,通常与螺杆启闭机配套使用的铸铁闸门,也被称为靠墙式铸铁镶铜圆闸门,其型号的通常表示为ZMQY,属于圆闸门的一种,本厂可为用户生产单向或双向的。下面分别从其结构(结构图)、原理、性能特点优势、型号参数、应用、常见问题六个方面详细为您介绍。

一、简介
墙式铸铁镶铜圆闸门一种闸框、闸板为铸铁材质的(灰铸铁或球墨铸铁),靠墙安装的,具有结构简单、运行平稳、使用寿命长,维护简单的水利闸门,被广泛应用于水利水电、水产养殖、市政给排水建设等水利工程中。
二、墙式铸铁镶铜圆闸门的结构
永盈彩票1、闸框:闸门的边框或者说是门框,其材质通常为灰口铸铁HT250或球墨铸铁,通过铸造成型;
2、闸板:闸门的挡水板,承压部件,其材质通常和闸框材质相同,通过铸造成型;、
永盈彩票3、导轨:对于中小口径的闸门通常和闸框浇注为一体,大型的用不锈钢定位销与门框连接固定,材质通常为铸铁;
4、密封座:灰口铸铁或球墨铸铁,在其上镶铜,镶铜的材质为铜合金2CuSn5Pb5Zn,可更好的提高密封面的止水效果;
永盈彩票5、锲块:也称为压紧锲块,可通过调整压紧锲块来调整密封度,材质为灰口铸铁镶铜合金或球墨铸铁镶铜合金;
永盈彩票6、吊耳:材质与闸板相同;
永盈彩票7、螺杆:也被称为闸杆,其材质为多为不锈钢。

三、工作原理
永盈彩票用户可以依据需求选购不同机型的螺杆启闭机与之配套适用,墙式铸铁镶铜圆闸门调节水流量的工作部分,螺杆启闭机为闸门开启与关闭的动力执行设备,由人力、电机或气动、液压机构带动传动装置的齿轮、蜗轮蜗杆等传动,驱动传动部件螺母或螺杆转动,使闸杆实现垂直升降运动,从而开启或关闭闸门,达到放水、关水或调节水位的目的。
四、本厂产品的性能特点优势
永盈彩票1、此款产品多为单向止水,但本厂可依据用户需求定制生产反向止水或双止水的闸门;
永盈彩票2、此款产品的渗水量少,止水效果优良,密封面配合间隙≤0.1mm,密封座厚度大于10mm,正向渗水量:≤0.7L/min·m,反向≤1.25L/min·m;
永盈彩票3、可适应工作环境温度范围大,从-20℃~120℃都可适应;
永盈彩票4、可适应工作介质种类多,即可适应河流湖泊水质,也可适应PH在6-8之间的污水;
5、可配型启闭机机型多,即可配型手动的、电动的,亦可适配气动的、液压的,用户可依据需求选购;
6、使用寿命长,具有良好的耐腐蚀性,本厂在闸门生产过程已为用户留出腐蚀余量,因此,闸门的使用寿命长;
7、无需更换止水带,因为此款闸门的密封面采用的是镶铜止水,因此无需更换止水带,后期不会在使用过程中因为橡胶老化而更换止水带,仅需调整压紧锲块即可。

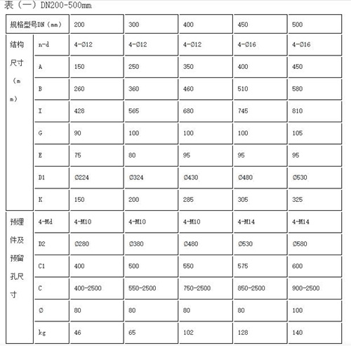
五 、型号尺寸参数
此款闸门的型号尺寸从dn200-dn25000本厂都有,常见的部分型号尺寸参数如下图,详细的外形安装布置尺寸参数可参考本站《ZMQY型附壁式铸铁圆闸门型号尺寸参数大全》
墙式铸铁镶铜闸门部分型号尺寸参数表

六、产品应用
永盈彩票墙式铸铁镶铜闸门广泛用于城市给水排水、冶金、石油、化工、灌溉,电力、纺织、污水处理等行业水处理构筑物上,对公称压力为0.1MPa以下的,多用于管道口合交汇窖井、泥沙池、污水渠道、原站井水口、清水池等场所,用来实现流量和液面水位的控制。
七、常见问题
1、产品选购问题,建议直接对接我们的一线销售人员,他们会为您**合适的性价比高的产品;
2、配型启闭机选购问题,建议咨询我们专业的销售人员,我们的销售人员会为您免费做详细的解答;
3、安装问题,我们有专业的安装技术人员及相关的施工队伍,售后安装无需担心;
永盈彩票4、发货问题,厂家现货多,物流发货,发货速度快;
5、售后问题,24小时售后服务团队,及时响应,确因产品质量问题,本厂可无条件退换货!