联系人:武经理
永盈彩票手机:13933744225
永盈彩票电话: 0319-4786765
永盈彩票传真: 0319-4845306
邮箱: 776150030@qq.com
网址:passionvietnam.com
永盈彩票地址:河北省邢台市新河县城北工业区
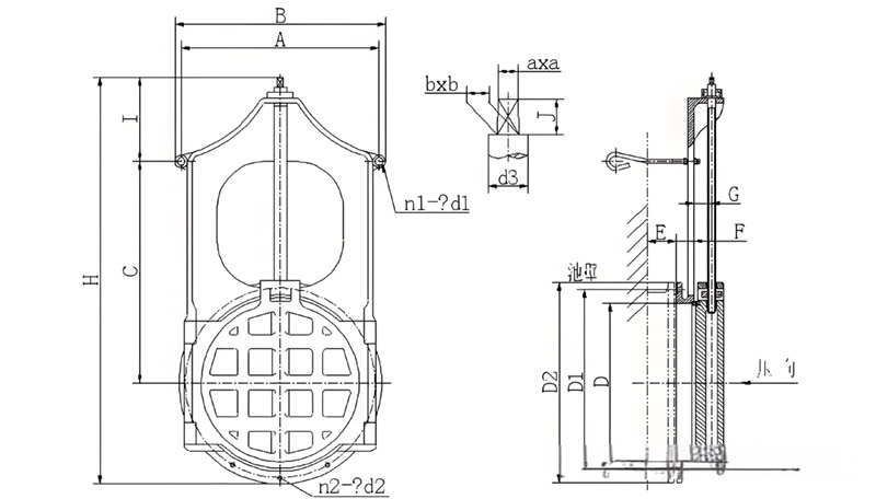
暗杆式铸铁闸门的类型有很多,比如有AXY、AXF、AYZ、ZAQF、AFZ、PGZA型等,型号也多种多样,为了方便用户了解,在此,瑞鑫水工从安装尺寸图、常见型号安装尺寸参数两个方面为大家梳理如下。
一、AXY型暗杆式铸铁镶铜圆闸门(闸门采用铜止水)安装尺寸图
AXY型暗杆式铸铁镶铜圆闸门安装尺寸参数表
口径D(mm) | 300 | 400 | 450 | 500 | 600 | 700 | 800 | 900 | 1000 | 1200 | |
安装尺寸(mm) | A | 470 | 580 | 614 | 674 | 790 | 910 | 1060 | 1110 | 1250 | 1450 |
B | 515 | 635 | 654 | 724 | 850 | 980 | 1130 | 1190 | 1330 | 1550 | |
C | 400 | 500 | 552 | 665 | 795 | 933 | 1035 | 115 | 1400 | 1450 | |
D1 | 414 | 524 | 564 | 639 | 743 | 854 | 960 | 1073 | 1179 | 1353 | |
D2 | 464 | 582 | 652 | 706 | 810 | 928 | 1034 | 1156 | 1262 | 1460 | |
E | 150 | 150 | 150 | 150 | 150 | 150 | 150 | 150 | 180 | 180 | |
F | 57 | 59 | 80 | 82 | 83 | 84 | 87 | 109 | 115 | 120 | |
G | 83 | 85 | 86 | 97 | 97 | 100 | 103 | 106 | 112 | 125 | |
H | 935 | 1148 | 1258 | 1451 | 1611 | 1735 | 2093 | 2246 | 2571 | 3140 | |
I | 303 | 357 | 380 | 406 | 411 | 428 | 523 | 528 | 530 | 825 | |
J | 30 | 45 | 60 | ||||||||
a×a | 20×20 | 20×20 | 25×25 | 32×32 | |||||||
b×b | 23×23 | 25×25 | 25×25 | 28×28 | 35×35 | ||||||
n1 | 2 | ||||||||||
d1 | M18×500 | M18×526 | M22×54O | M27×56O | M3O×59O | M32×590 | M36×620 | ||||
n2 | 12 | 16 | 20 | 24 | 28 | ||||||
d2 | M22×80 | M27×90 | M30×100 | M32×120 | |||||||
a3 | 30 | 36 | 36 | 48 | 50 | 71 |
二、AYZ暗杆式铸铁圆闸门安装尺寸图
AYZ-200mm到AYZ-1200mm暗杆式铸铁圆闸门安装尺寸参数表
规格型号D(mm) | 200 | 250 | 300 | 400 | 450 | 500 | 600 | 700 | 800 | 900 | 1000 | 1200 | |
尺寸参数(mm) | A | 360 | 410 | 460 | 560 | 610 | 660 | 700 | 940 | 1030 | 1100 | 1260 | 1470 |
B | 200 | 250 | 300 | 400 | 450 | 500 | 600 | 700 | 800 | 900 | 1000 | 1200 | |
C | 145 | 175 | 200 | 275 | 300 | 340 | 390 | 440 | 500 | 550 | 600 | 700 | |
E | 70 | 75 | 80 | 95 | 95 | 95 | 95 | 110 | 110 | 115 | 115 | 130 | |
H | 360 | 450 | 540 | 720 | 810 | 900 | 1080 | 1260 | 1440 | 1620 | 1800 | 2160 | |
∅d | 18 | 18 | 20 | 20 | 25 | 25 | 32 | 32 | 32 | 32 | 36 | 40 | |
n-d1 | 4×M8 | 4×M8 | 4×M12 | 4×M12 | 4×M12 | 4×M16 | 4×M16 | 4×M16 | 4×M16 | 4×M20 | 4×M22 | 4×M24 |
AYZ-1400mm到AYZ-3000mm暗杆式铸铁圆闸门安装尺寸参数表
规格型号D(mm) | 1400 | 1500 | 1600 | 1700 | 1800 | 1900 | 2000 | 2200 | 2400 | 2800 | 3000 | |
尺寸参数(mm) | A | 1630 | 1750 | 1880 | 1980 | 2080 | 2180 | 2280 | 2490 | 2690 | 3090 | 3300 |
E | 180 | 190 | 190 | 200 | 210 | 210 | 230 | 250 | 250 | 280 | 310 | |
C | 800 | 850 | 900 | 950 | 1000 | 1050 | 1100 | 1200 | 1300 | 1500 | 1600 | |
G | 110 | 110 | 120 | 120 | 130 | 130 | 140 | 140 | 140 | 150 | 150 | |
H | 2520 | 2700 | 2880 | 3060 | 3240 | 3420 | 3600 | 3690 | 4320 | 5040 | 5400 | |
∅d | 40 | 40 | 44 | 44 | 44 | 50 | 50 | 55 | 55 | 55 | 60 | |
a | 160 | 160 | 160 | 160 | 180 | 180 | 180 | 180 | 180 | 200 | 200 | |
b | 2800 | 3000 | 3200 | 3400 | 3600 | 3800 | 4000 | 4400 | 4800 | 5600 | 6000 |
三、ZAQF暗杆式铸铁方闸门(墙式安装,俗称附壁式安装)安装尺寸图
ZAQF暗杆式铸铁方闸门安装尺寸参数表
型号规格 | 口径D×D | 300×300 | 400×400 | 500×500 | 600×600 | 700×700 | 800×800 | 1000×1000 | 1200×1200 | 1400×1400 | 1600×1600 | 1800×1800 | 2000×2000 | 2200×2200 | 2400×2400 |
外形及安装尺寸 | A | 460 | 560 | 660 | 760 | 940 | 1030 | 1260 | 1470 | 1680 | 1880 | 2080 | 2280 | 2480 | 2660 |
b | 100 | 100 | 100 | 100 | 100 | 100 | 120 | 120 | 120 | 120 | 120 | 160 | 160 | 160 | |
C | 200 | 250 | 310 | 360 | 420 | 470 | 580 | 690 | 800 | 900 | 1000 | 1110 | 1210 | 1315 | |
E | 80 | 250 | 95 | 95 | 110 | 110 | 140 | 150 | 200 | 220 | 240 | 280 | 280 | 320 | |
H | 600 | 800 | 1000 | 1200 | 1400 | 1600 | 2000 | 2400 | 2800 | 3200 | 3600 | 4000 | 4400 | 4800 | |
L | 630 | 850 | 1060 | 1260 | 1460 | 1670 | 2080 | 2480 | 2880 | 3290 | 3690 | 4100 | 4100 | 4920 | |
L1 | 470 | 570 | 670 | 770 | 950 | 1040 | 1270 | 1360 | 1570 | 1770 | 1970 | 2130 | 2330 | 2510 | |
δ | 10 | 10 | 10 | 10 | 10 | 10 | 10 | 12 | 12 | 12 | 12 | 16 | 16 | 16 |
四、AXF暗杆式铸铁镶铜方闸门安装尺寸图
0.3*0.3米AXF暗杆式铸铁镶铜方闸门安装尺寸参数表
型号规格 | 口径 | 外型及安装尺寸 | |||||||
Dx D | A | B | C | E | H | L | L1 | δ | |
AXF-300 | 300x300 | 460 | 100 | 200 | 90 | 600 | 630 | 470 | 10 |
AXF-400 | 400x400 | 560 | 100 | 250 | 110 | 800 | 850 | 570 | 10 |
AXF-500 | 500x500 | 660 | 100 | 310 | 110 | 1000 | 1060 | 670 | 10 |
AXF-600 | 600x600 | 760 | 100 | 360 | 120 | 1200 | 1260 | 770 | 10 |
AXF-700 | 700x700 | 940 | 100 | 420 | 120 | 1400 | 1460 | 950 | 10 |
AXF-800 | 800x800 | 1030 | 100 | 470 | 130 | 1600 | 1670 | 1040 | 10 |
AXF-1000 | 1000x1000 | 1260 | 120 | 580 | 140 | 2000 | 2080 | 1270 | 10 |
1.2*1.2-2.4*2.4米AXF暗杆式铸铁镶铜方闸门安装尺寸参数表
型号规格 | 口径 外型及安装尺寸 | |||||||||
Dx D | A | B | C | E | H | L | L1 | L2 | δ | |
AXF-1200 | 1200x1200 | 1420 | 120 | 690 | 150 | 2400 | 2480 | 1480 | 1380 | 12 |
AXF-1400 | 1400X1400 | 1640 | 120 | 800 | 180 | 2800 | 2880 | 1690 | 1570 | 12 |
AXF-1600 | 1600x1600 | 1840 | 120 | 900 | 180 | 3200 | 3290 | 1890 | 1770 | 12 |
AXF-1800 | 1800X1800 | 2040 | 120 | 1000 | 200 | 3600 | 3690 | 2090 | 1970 | 12 |
AXF-2000 | 2000x2000 | 2240 | 160 | 1110 | 200 | 4000 | 4100 | 2290 | 2130 | 16 |
AXF-2200 | 2200x2200 | 2440 | 160 | 1210 | 210 | 4400 | 4100 | 2290 | 2330 | 16 |
AXF-2400 | 2400x2400 | 2640 | 160 | 1315 | 210 | 4800 | 4920 | 2670 | 2510 | 16 |
AXF暗杆式铸铁镶铜方闸门2600-5000mm外形安装尺寸 | |||||||||||
型号规格 | 口径 | 外型及安装尺寸 | |||||||||
Dx D | A | B | C | E | H | L | L1 | L2 | L3 | δ | |
AXF-2600 | 2600x2600 | 2840 | 160 | 1410 | 220 | 5200 | 5330 | 2890 | 2730 | 1300 | 16 |
AXF-2800 | 2800x2800 | 3040 | 160 | 1515 | 230 | 5600 | 5730 | 3090 | 2930 | 1400 | 16 |
AXF-3000 | 3000x3000 | 3260 | 200 | 1620 | 230 | 6000 | 6150 | 3320 | 3120 | 1500 | 20 |
AXF-3500 | 3500x3500 | 3760 | 200 | 1880 | 240 | 7000 | 7150 | 3830 | 3630 | 1800 | 20 |
AXF-4000 | 4000x4000 | 4280 | 200 | 2130 | 240 | 8000 | 8180 | 4340 | 4140 | 2000 | 20 |
AXF-4500 | 4500x4500 | 4780 | 200 | 2380 | 260 | 9000 | 9190 | 4840 | 4640 | 2200 | 20 |
AXF-5000 | 5000x5000 | 5280 | 200 | 2650 | 280 | 10000 | 10200 | 5360 | 5160 | 2500 | 20 |
五、AFZ暗杆式铸铁方闸门安装尺寸图
AFZ暗杆式铸铁方闸门安装尺寸参数表
型号规格 | 口径 外形及安装尺寸 | ||||||||
D | A | B | C | E | H | L | L1 | Φ | |
AFZ-1200 | 1200×1200 | 1470 | 120 | 690 | 150 | 2400 | 2480 | 1480 | 12 |
AFZ-1400 | 1400×1400 | 1680 | 120 | 800 | 200 | 2800 | 2880 | 1690 | 12 |
AFZ-1600 | 1600×1600 | 1880 | 120 | 900 | 220 | 3200 | 3290 | 1890 | 12 |
AFZ-1800 | 1800×1800 | 2080 | 120 | 1000 | 240 | 3600 | 3690 | 2090 | 12 |
AFZ-2000 | 2000×2000 | 2280 | 160 | 1110 | 280 | 4000 | 4100 | 2290 | 16 |
AFZ-2200 | 2200×2200 | 2480 | 160 | 1210 | 280 | 4400 | 4100 | 2290 | 16 |
AFZ-2400 | 2400×2400 | 2660 | 160 | 1315 | 320 | 4800 | 4920 | 2670 | 16 |
AFZ暗杆式铸铁方闸门安装尺寸参数表
型号规格 | 口径 外形及安装尺寸 | ||||||||||
D | A | B | C | E | H | L | L1 | L2 | L3 | Φ | |
AFZ-2600 | 2600×2600 | 2880 | 160 | 1410 | 320 | 5200 | 5330 | 2890 | 2730 | 1300 | 16 |
AFZ-2800 | 2800×2800 | 3080 | 160 | 1515 | 320 | 5600 | 5730 | 3090 | 2930 | 1400 | 16 |
AFZ-3000 | 3000×3000 | 3310 | 200 | 1620 | 320 | 6000 | 6150 | 3320 | 2130 | 1500 | 20 |
AFZ-3500 | 3500×3500 | 3820 | 200 | 1880 | 320 | 7000 | 7150 | 3830 | 3630 | 1800 | 20 |
AFZ-4000 | 4000×4000 | 4330 | 200 | 2130 | 360 | 8000 | 8180 | 4340 | 4140 | 2000 | 20 |
AFZ-4500 | 4500×4500 | 4830 | 200 | 2380 | 360 | 9000 | 9190 | 4840 | 4640 | 2200 | 20 |
AFZ-5000 | 5000×5000 | 5350 | 200 | 2650 | 380 | 10000 | 10200 | 5360 | 5160 | 2500 | 20 |
六、PGZA拱形暗杆式铸铁闸门安装尺寸图